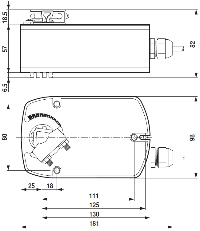
Belimo LF24-SR rugóvisszatérítéses zsalumozgató, 24 V (4 Nm; 0,8 m²-ig)
158 426 Ft /darab
Nettó ár: 124 745 Ft /darab
- Szállítási idő: 3 - 5 hét
- Cikkszám: K080452024002

