Belimo NFA-S2 rugóvisszatérítéses zsalumozgató, 24-240 V (10 Nm; 2 m²-ig)
206 364 Ft /darab
Nettó ár: 162 491 Ft /darab
- Szállítási idő: 3 - 5 hét
- Cikkszám: K080483001020


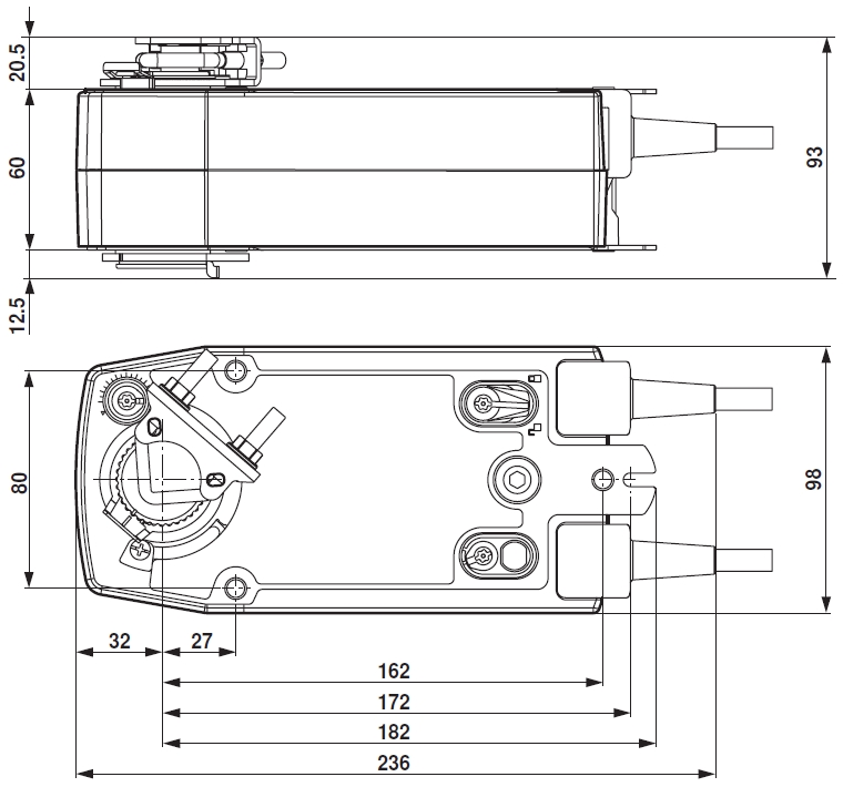
_befog%C3%A1si_tartomany.jpg)
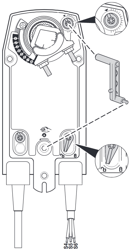
_Kiegeszito_kapcsolok_beallitasa.jpg)