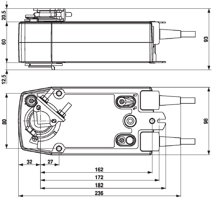
Belimo SF24A-S2 rugóvisszatérítéses zsalumozgató, 24-240 V (10 Nm; 2 m²-ig)
206 364 Ft /darab
Nettó ár: 162 491 Ft /darab
- Szállítási idő: 3 - 5 hét
- Cikkszám: K080511024021

