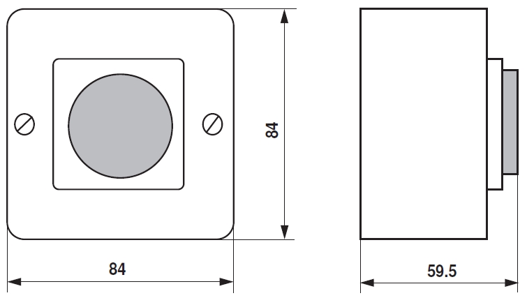
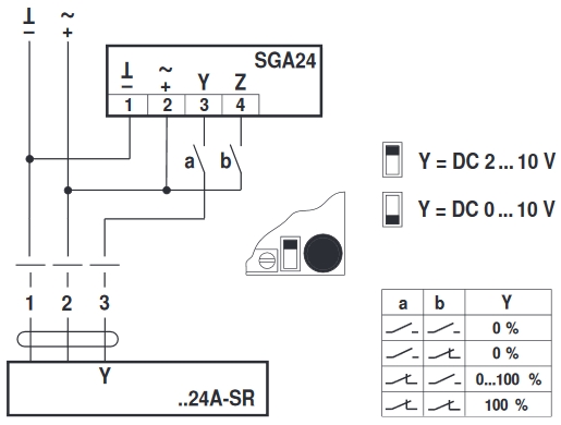
SGA-24 pozícionáló zsalumozgató motorokhoz
74 876 Ft /darab
Nettó ár: 58 957 Ft /darab
- Szállítási idő: 3 - 5 hét
- Cikkszám: K080253001000

