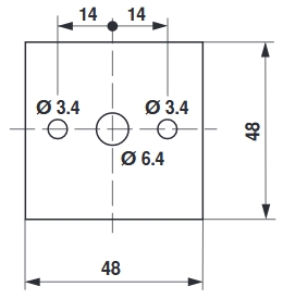
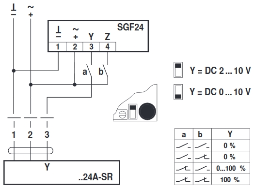
SGF-24 pozícionáló zsalumozgató motorokhoz
53 417 Ft /darab
Nettó ár: 42 061 Ft /darab
- Szállítási idő: 3 - 5 hét
- Cikkszám: K080253002000


